Membrankit Mercury/Mariner (851812A01)
Artnr:
851812A01
485 kr
- Produktbeskrivning
-
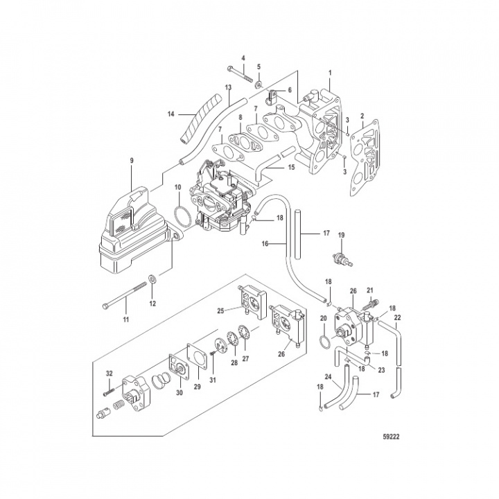
Membrankit (851812A01) till bränslepumpen på Mercury/Mariner 8-9.9 hk 4-takt utombordare 2-cyl, 2006 och framåt. - Egenskaper
-
- Leveransinformation
-
Lagersaldo: 0Frakt: Frakt 0-3kg


