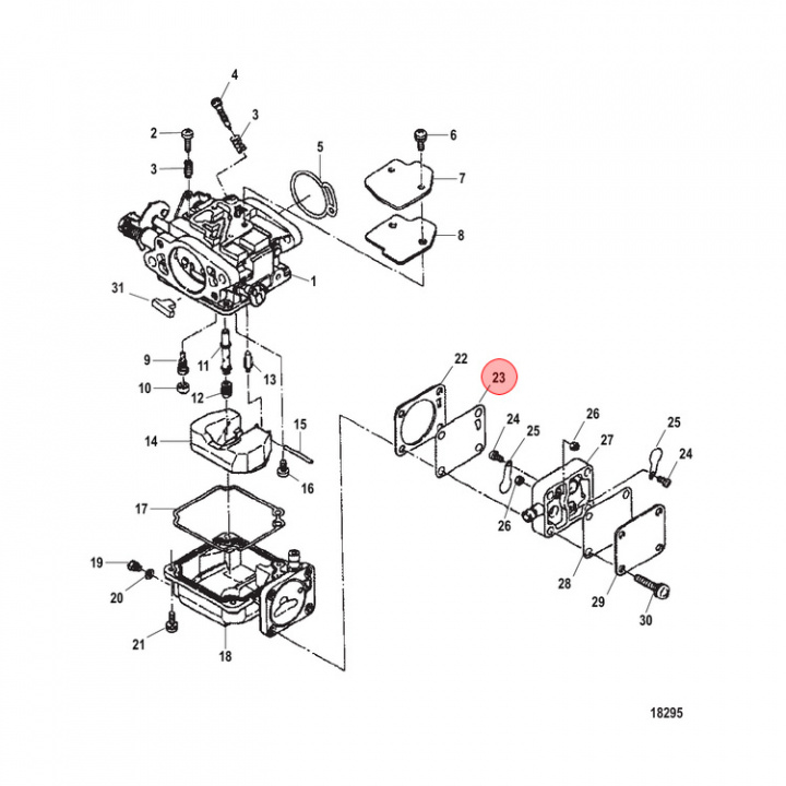
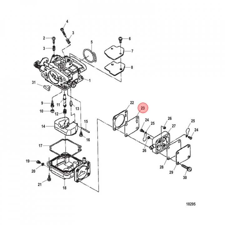
Membran Bränslepump Mercury 9.9-50 hk (8537312)
Artnr:
8537312
255 kr
- Produktbeskrivning
-
Membran (8537312) till bränslepump på Mercury 9.9-50 hk utombordare. Titta i din epc för att säkerställa att delen passar just din motor. - Egenskaper
-
- Leveransinformation
-
Lagersaldo: 0Frakt: Frakt 0-3kg


