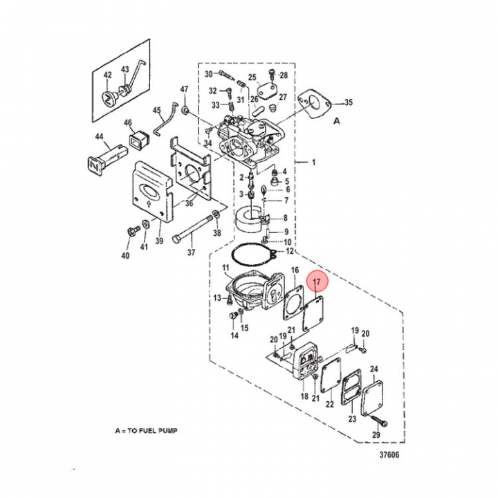
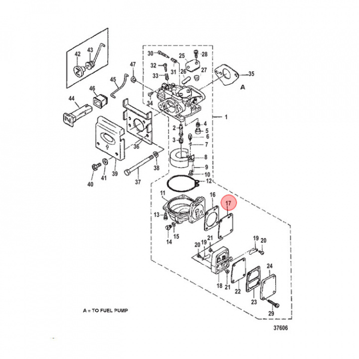
Membran 4-9.9 hk (16325)
Artnr:
16325
79 kr
- Produktbeskrivning
-
Membran 4-9.9 hk (16325), membran till förgasaren på Mercury/Mariner utombordare - Egenskaper
-
- Leveransinformation
-
Lagersaldo: -2Frakt: Frakt 0-3kg


