Låssprint Mercury 11-350 hk (821539)
Artnr:
821539
39 kr
- Produktbeskrivning
-
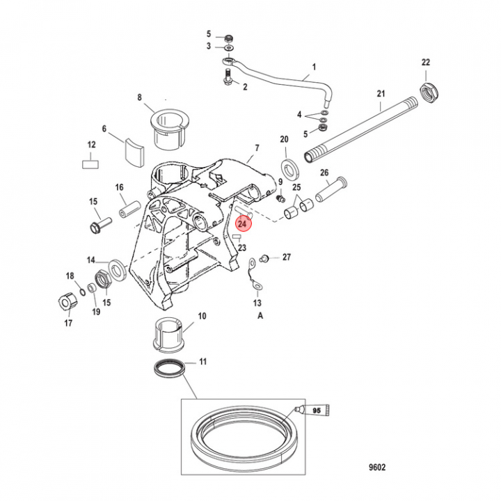
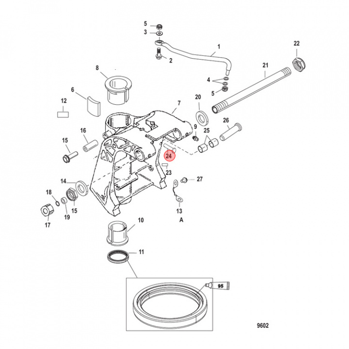
Låssprint (821539) till flera applikationer på Mercury 11-350 hk utombordare. Titta i din epc för att säkerställa att delen passar just din motor.
Passar följande motorer:
• 30/40/50/60/75/90/100/115/125/135/140/150/175/200/225/250 hk 2-takt
• 11/25/30/40/50/60/75/80/90/100/115/135/150/175/200/250/300/350 hk 4-takt
Tidigare art: 99607, 13794 - Egenskaper
-
- Leveransinformation
-
Lagersaldo: -2Frakt: Frakt 0-3kg



