Lager Mercury 30-60 hk (812768)
Artnr:
812768
345 kr
- Produktbeskrivning
-
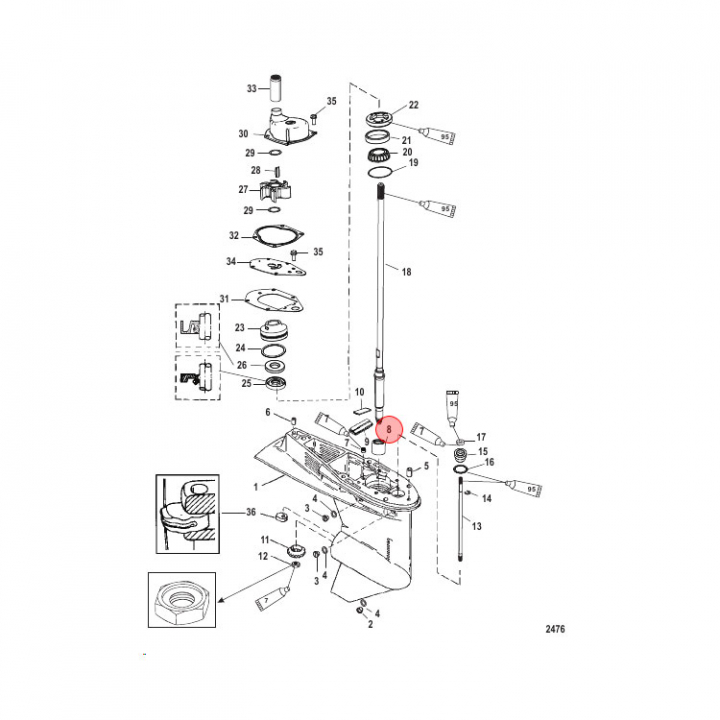
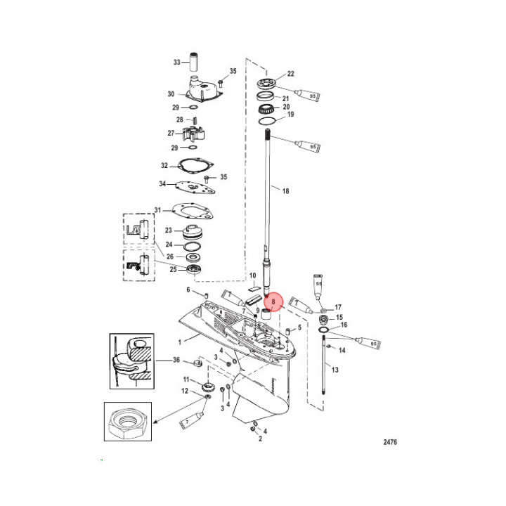
Lager (812768) till drivaxeln i växelhuset på Mercury 30-60 hk utombordare i olika modeller. Titta i din epc för att säkerställa att delen passar just din motor. - Egenskaper
-
- Leveransinformation
-
Lagersaldo: 0Frakt: Frakt 0-3kg


