Lager Mercury 30-125 hk (883047A1)
Artnr:
883047A1
1019 kr
- Produktbeskrivning
-
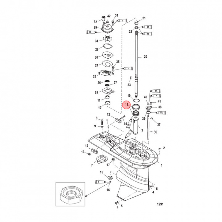
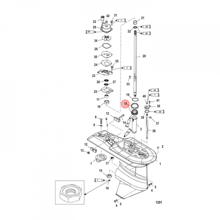
Lager (883047A1) till drivaxeln i växelhuset på Mercury 30-125 hk utombordare. Titta i din epc för att säkerställa att delen passar just din motor. - Egenskaper
-
- Leveransinformation
-
Lagersaldo: 0Frakt: Frakt 0-3kg


