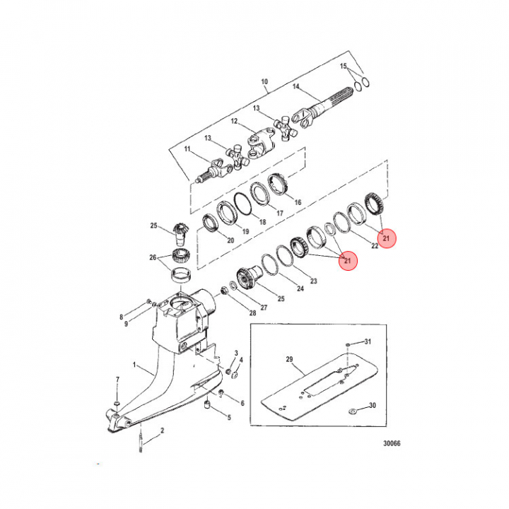
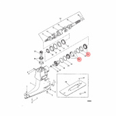
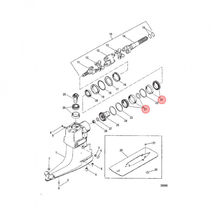
Lager (35988A12)
Artnr:
35988A12
3465 kr
- Produktbeskrivning
-
Lager (35988A12), lagerkit till Mercruiser Alpha One Gen I/II 83-90, 96-97 samt 91-95. Säkerställ att det är rätt delar till din motor via din epc.
Tidigare art: 35988A2 - Egenskaper
-
- Leveransinformation
-
Lagersaldo: 0Frakt: Frakt 0-3kg


