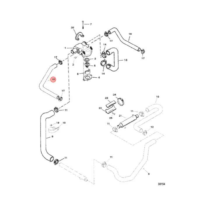
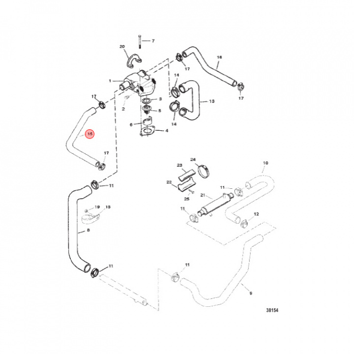
Kylarslang Mercruiser (860144)
Artnr:
860144
855 kr
- Produktbeskrivning
-
Kylarslang (860144) till Mercruiser inombordare. Titta i din epc för att säkerställa att delen passar just din motor. - Egenskaper
-
- Leveransinformation
-
Lagersaldo: 0Frakt: Frakt 0-3kg


