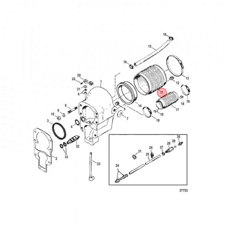
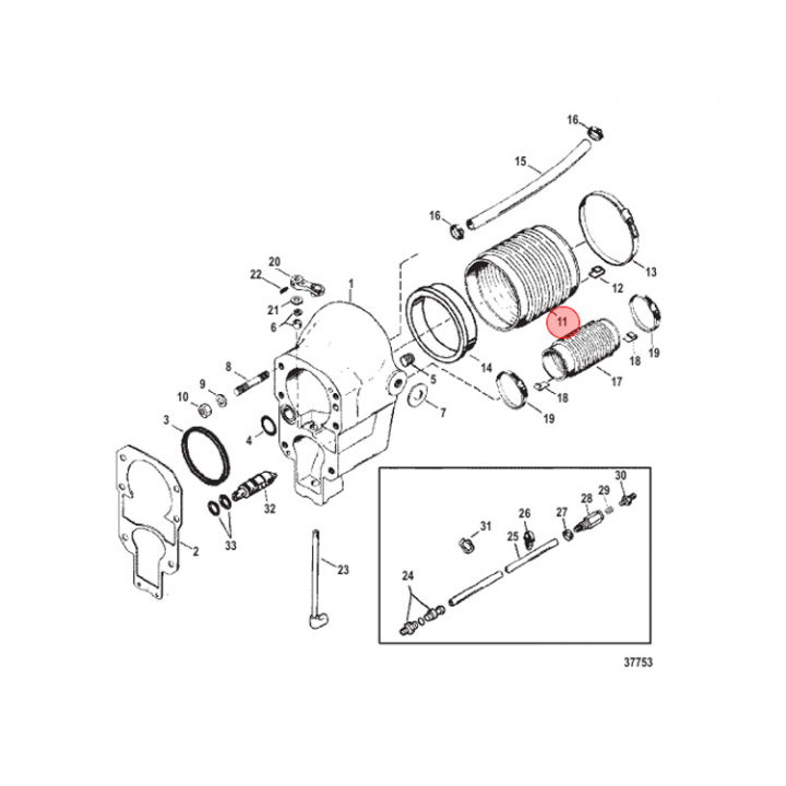
Knutbälg Alpha One Gen II (816431A1)
Artnr:
816431A1
1469 kr
- Produktbeskrivning
-
Knutbälg (816431A1) till Alpha One Gen II (1991 och senare) samt Vazer. Titta i din epc för att säkerställa att delen passar just din motor. - Egenskaper
-
- Leveransinformation
-
Lagersaldo: 0Frakt: Frakt 0-3kg


