Klämma Mercury/Mariner 2-6 hk (803525)
Artnr:
803525
35 kr
- Produktbeskrivning
-
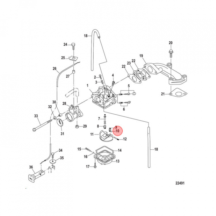
Klämma (803525) till Mercury/Mariner 2-6 hk utombordare. Titta i din epc för att säkerställa att delen passar just din motor. - Egenskaper
-
- Leveransinformation
-
Lagersaldo: 0Frakt: Frakt 0-3kg


