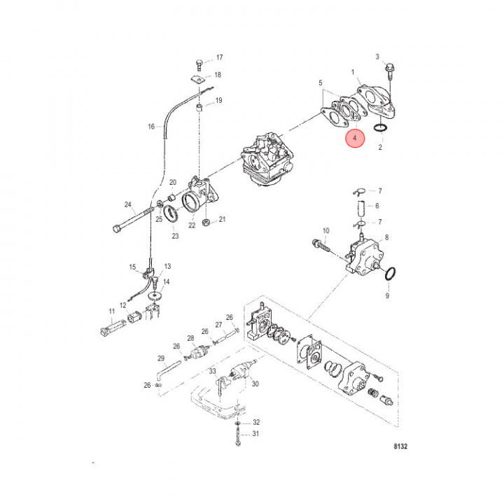
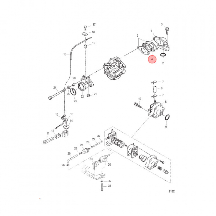
Insulatorpackning Mercury/Mariner 2-6 hk (80350810)
Artnr:
80350810
29 kr
- Produktbeskrivning
-
Insulatorpackning (80350810) som ligger mellan de två insugspackningarna på Mercury/Mariner 2-6 hk utombordare.
Tidigare art: 8035086 - Egenskaper
-
- Leveransinformation
-
Lagersaldo: -1Frakt: Frakt 0-3kg


