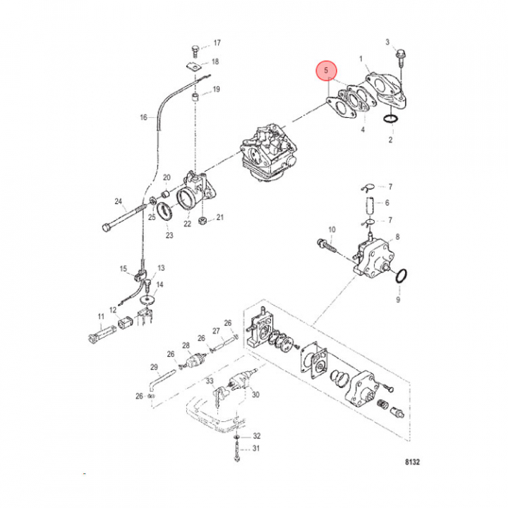
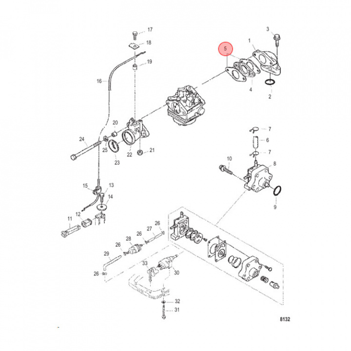
Insugspackning Mercury/Mariner 2-6 hk (803508013)
Artnr:
803508013
25 kr
- Produktbeskrivning
-
Insugspackning (803508013) till Mercury/Mariner 2-6 hk utombordare.
Tidigare art: 898101290 - Egenskaper
-
- Leveransinformation
-
Lagersaldo: -5Frakt: Frakt 0-3kg


