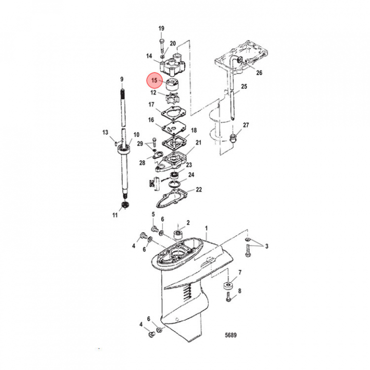
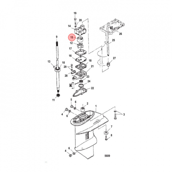
Impellerskål Mercury/Mariner 6-9.9 hk (8037511)
Artnr:
8037511
79 kr
- Produktbeskrivning
-
Impellerskål (8037511) till Mercury/Mariner 6-9.9 hk utombordare. - Egenskaper
-
- Leveransinformation
-
Lagersaldo: 0Frakt: Frakt 0-3kg


