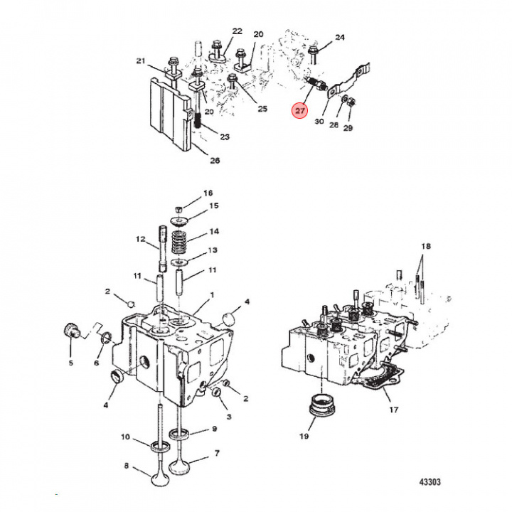
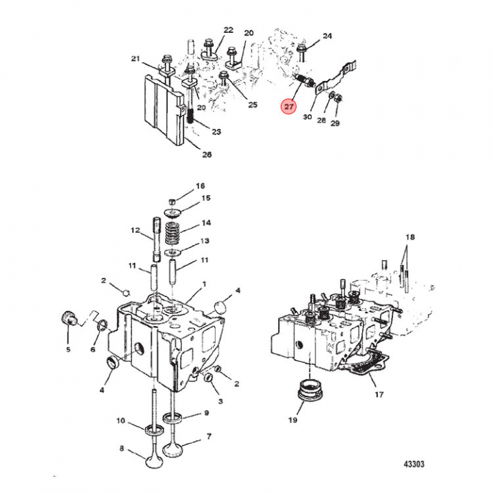
Glödstift Mercruiser (811495)
Artnr:
811495
599 kr
- Produktbeskrivning
-
Glödstift (811495) till Mercruiser motorer, titta i din epc för att säkerställa att delen passar just din motor. - Egenskaper
-
- Leveransinformation
-
Lagersaldo: 0Frakt: Frakt 0-3kg


