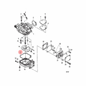
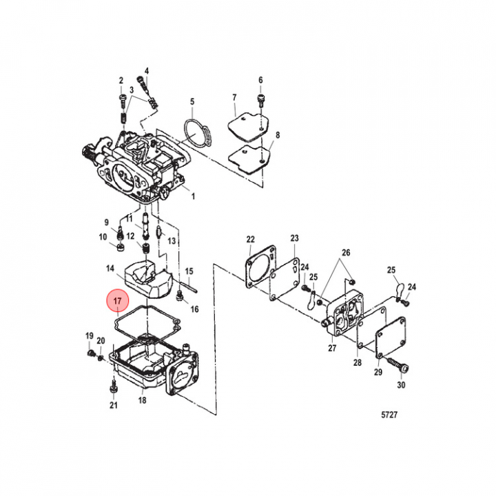
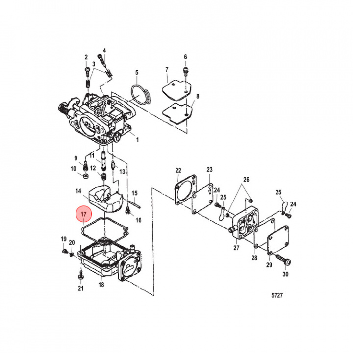
Flottörhuspackning Mercury 9.9-50 hk (855567)
Artnr:
855567
55 kr
- Produktbeskrivning
-
Flottörhuspackning (855567) till Mercury 9.9-50 hk utombordare. Titta i din epc för att säkerställa att delen passar just din motor. - Egenskaper
-
- Leveransinformation
-
Lagersaldo: 0Frakt: Frakt 0-3kg


