TBS batterimonitor E-xpertLite för att visa spänning, ström, förbrukade amperetimmar och amperetimmar kvar. Möjlighet finns för att mäta spänningen på ytterligare en batterigrupp, t.ex. startbatteriet. Programmerbar larmfunktion.
Tankmätare till batterigruppen för att veta hur mycket energi som finns att tillgå blir viktigare. Voltmätare och amperemätare ger bra information, men det krävs stor kunskap för att kunna utläsa batteriets laddningsstatus. TBS batterimonitorer ger dig all information du kräver för att veta när du behöver ladda batterierna innan det är för sent.
En tankmätare för batterigruppen ger möjlighet till bättre driftsekonomi. Ett batteri bör aldrig urladdas lägre än 50% av kapaciteten, med monitorn har du möjlighet att övervaka att detta inte sker för många gånger.
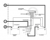
Laddningen kan kontrolleras så att strömförbrukningen inte är högre än laddningströmmen. Batterimonitorn mäter spänning, ström och räknar tid. Som option kan även temperaturen mätas. För att få 100% kontroll så krävs det att batterigruppens amperetimmar programmeras in i instrumentet.
Genom att mäta spänning, ström och tid kan den genom att utnyttja Peukerts formel räkna hur många amperetimmar som förbrukas. Hänsyn tas även till om urladdningströmmen är hög eller låg i förhållande till batterikapaciteten. Funktion finns för att visa hur lång tid som är kvar tills batteriet är urladdat.
• 9-35VDC
• Shunt 500A
• Håltagningsmått ø52.0 mm


