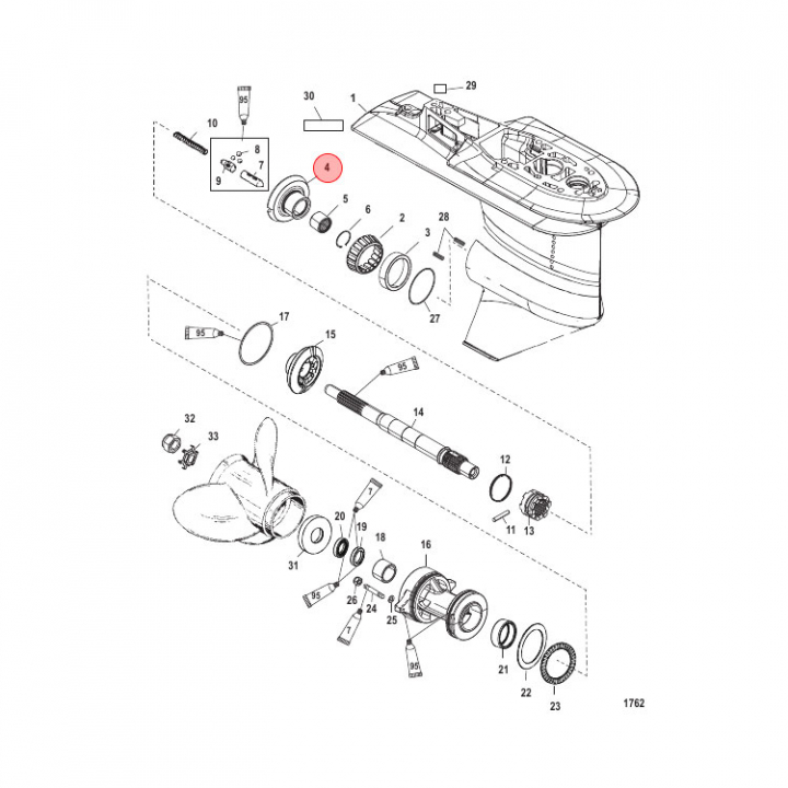
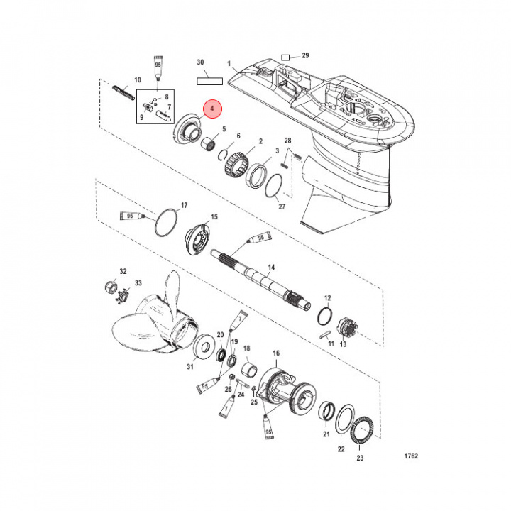
Drevsats Fram/Pinion Mercury 30-125 hk (882813A3)
Artnr:
882813A3
11789 kr
- Produktbeskrivning
-
Drevsats Fram/Pinion (882813A3) till växelhuset på Mercury 30-125 hk utombordare. Titta i din epc för att säkerställa att delen passar just din motor. - Egenskaper
-
- Leveransinformation
-
Lagersaldo: 0Frakt: Frakt 0-3kg


