Distans Mercruiser (99299)
Artnr:
99299
85 kr
- Produktbeskrivning
-
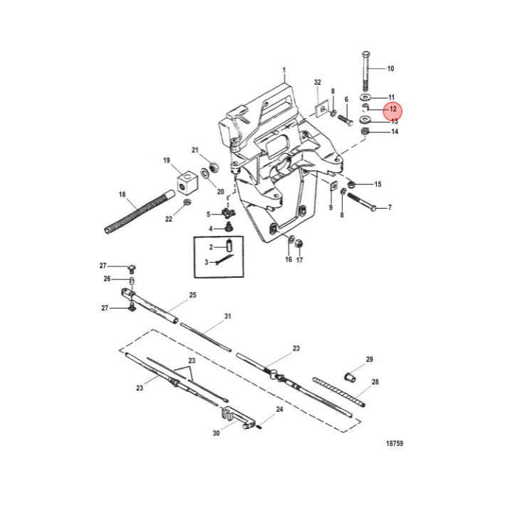
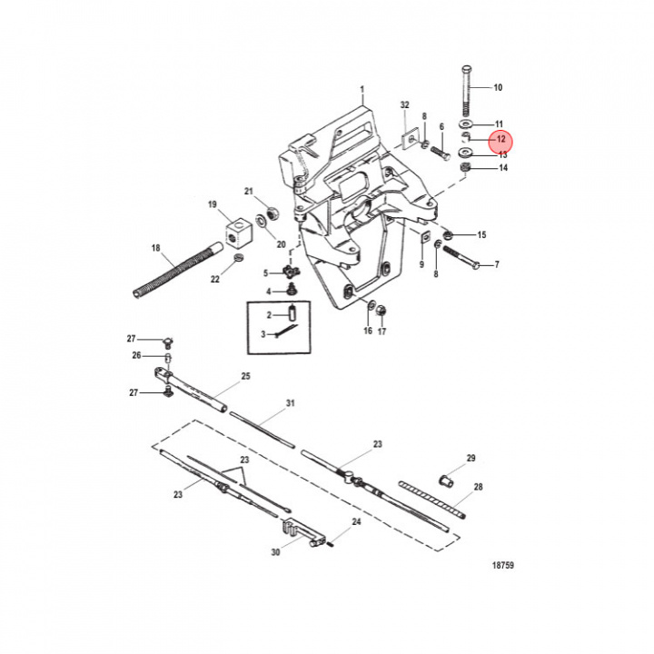
Distans (99299) till Mercruiser Alpha One, används till skruven tillhörande skölden på akterspegeln. (Se extra bild)
Se alltid din epc för att säkerställa artikeln passar din motor. - Egenskaper
-
- Leveransinformation
-
Lagersaldo: 0Frakt: Frakt 0-3kg


