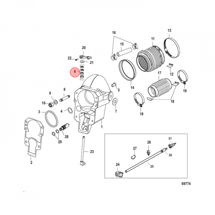
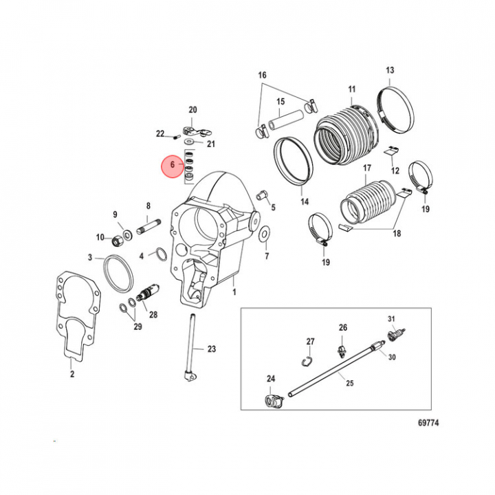
Bussningssats Mercruiser Alpha One Gen II (806036A1)
Artnr:
806036A1
255 kr
- Produktbeskrivning
-
Bussningssats (806036A1) till Mercruiser Alpha One Gen II 0L100040 och uppåt. Titta i din epc för att säkerställa att delen passar just din motor. - Egenskaper
-
- Leveransinformation
-
Lagersaldo: 0Frakt: Frakt 0-3kg


