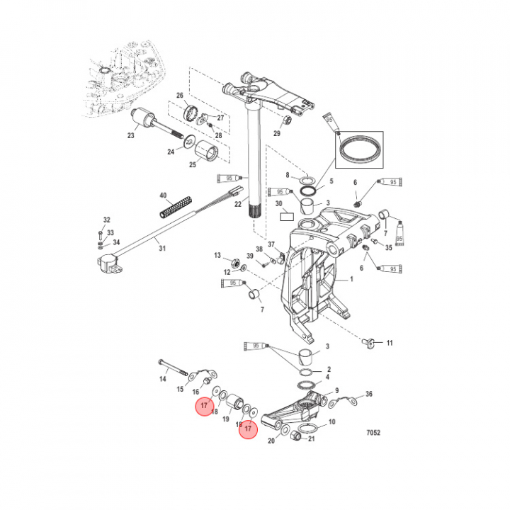
Bricka Mercury 135-200/225-400 hk (815432)
Artnr:
815432
125 kr
- Produktbeskrivning
-
Bricka (815432) till Mercury 135-200 hk och 225-400 hk motorer. - Egenskaper
-
- Leveransinformation
-
Lagersaldo: 0Frakt: Frakt 0-3kg


