Bricka Mercruiser Bravo (44539)
Artnr:
44539
95 kr
- Produktbeskrivning
-
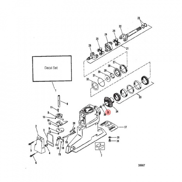
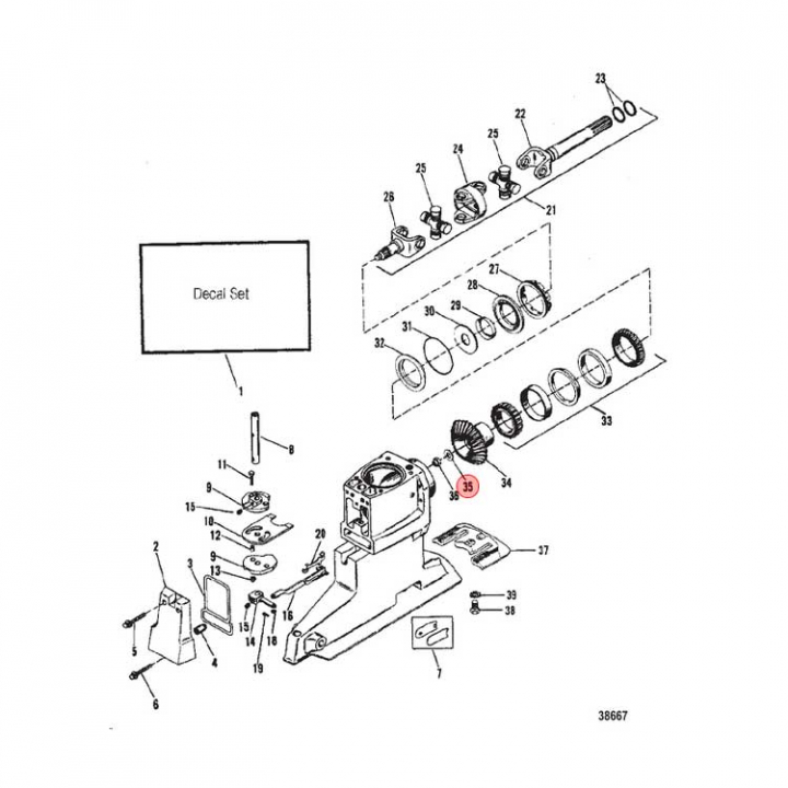
Bricka (44539) till Mercruiser Bravo I/II/III. Titta i din epc för att säkerställa att delen passar just din motor. - Egenskaper
-
- Leveransinformation
-
Lagersaldo: 0Frakt: Frakt 0-3kg


