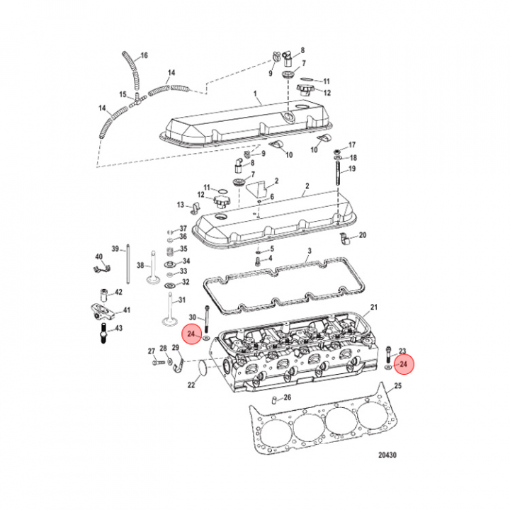
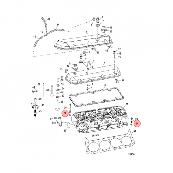
Bricka Mercruiser (841990)
Artnr:
841990
19 kr
- Produktbeskrivning
-
Bricka (841990) till bland annat headet på Mercruiser inombordare. Titta i din epc för att säkerställa att delen passar just din motor. - Egenskaper
-
- Leveransinformation
-
Lagersaldo: 0Frakt: Frakt 0-3kg


