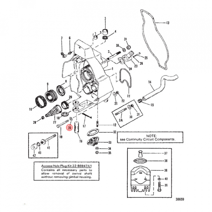
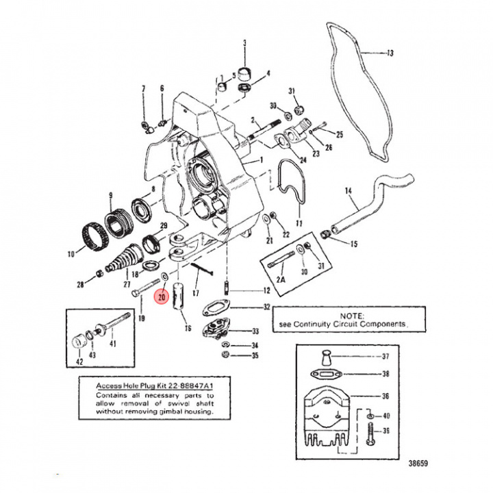
Bricka Mercruiser (32620)
Artnr:
32620
15 kr
- Produktbeskrivning
-
Bricka (32620), passar Mercruiser motorer bland annat Bravo I/II/III och Alpha One Gen II
Tidigare art: 31564 - Egenskaper
-
- Leveransinformation
-
Lagersaldo: 0Frakt: Frakt 0-3kg


