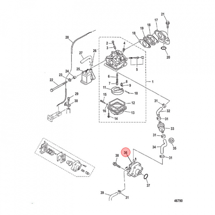
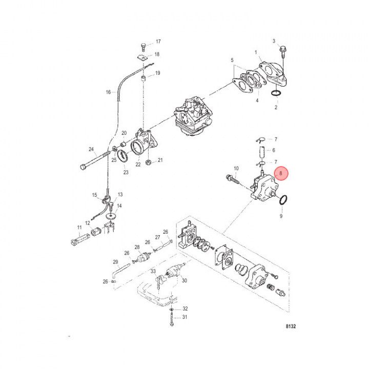
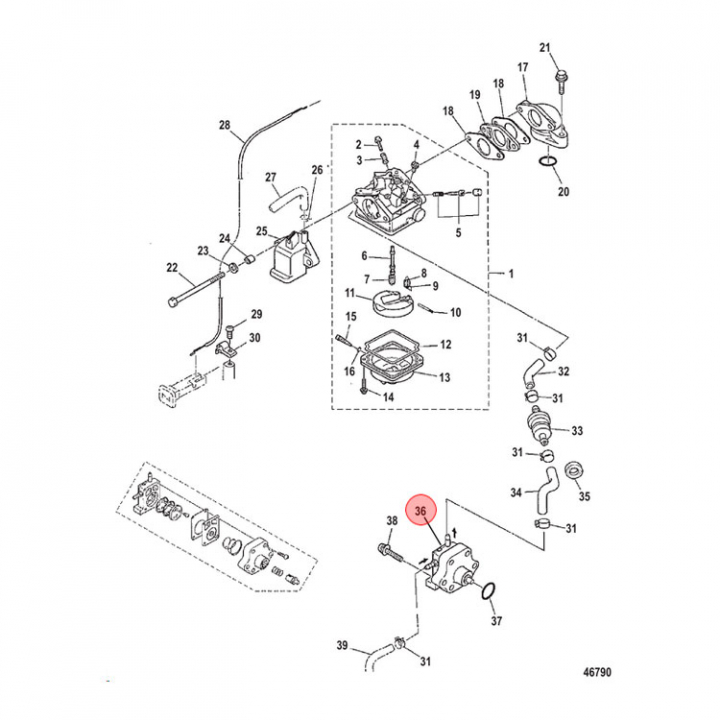
Bränslepump Mercury/Mariner 4-6 hk 4-takt (803529T06)
Artnr:
803529T06
1719 kr
- Produktbeskrivning
-
Bränslepump (803529T06) till Mercury/Mariner 4-6 hk 4-takt. Titta i din epc för att säkerställa att delen passar just din motor.
Tidigare art: 8M0057124, 8M0060378 - Egenskaper
-
- Leveransinformation
-
Lagersaldo: 0Frakt: Frakt 0-3kg



