Egis XD series Flex 2 500A batteriseparator / ACR skiljerelä
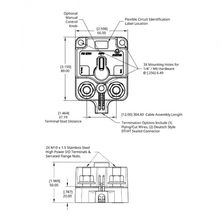
Kompakt, vattentät batteriseparator med ACR som fungerar både i 12V och 24V system genom automatisk avkänning. Den är även utrustad med en spak för manuell justering av till och från.
• Hanterar 500A kontinuerligt• 12V och 24V (automatisk avkänning)
• Fjärrstyrning via plus signal för till och från aktivering
• Manuell spak för till och från aktivering
• Indikering av status med lysdiod på enhet och extern LED
• Programmerbar i flera olika steg för från och tillslag
• Kan även användas som fjärrstyrd huvudbrytare
• Låg strömförbrukning, 1,3mA
Specifikationer:
• Spänning: 12/24V DC
• Spännings intervall: 8-36 V
• Förbrukning till/från (20 msek): 5A
• Förbrukning standby: 1.3 mA
• Kontinuerlig effekt: 500A
• Temporär max effekt: 700A 5min
• Temporär max effekt: 1600A 30sek
• Anslutning: M10
• Vattentät enligt IP67/IP6K9K
• Arbetstemperatur: -40 till 105 C
• Mått: 80 x 66 x 50 mm
Tillslag: 12.7 / 25.4 V
Frånslag: 13.1 / 26.2 V
Tillslag kan justeras till:
| 12.5 / 25.0 V | 13.1 / 26.2 V |
| 12.9 / 25.9 V | 13.5 / 27.0 V |
Frånslag kan justeras till:
| 11.4 / 22.8 V | 12.4 / 24.8 V |
| 11.7 / 23.4 V | 12.5 / 25.0 V |
| 12.0 / 24.0 V | 12.6 / 25.2 V |
| 12.3 / 24.6 V | 12.7 / 25.4 V |


